Lc 221rh . Husqvarna LC221RH 160cc 21in Selfpropelled Gas Lawn Mower with Honda LC 221 RH - Husqvarna 21" Walk-Behind Mower (Original) Parts & Diagrams Parts Lists & Diagrams Showing the latest version of manual and documents for LC 221RH
Husqvarna LC 221RH Lawn Mower for Sale in Collierville, TN OfferUp from offerup.com
Valid for new accounts opened Purchases must post to your account during the promotional period to qualify Model Number: LC221RH UPC: 085388235497 Store SKU: Customer Part Number: Husqvarna LC221RH Walk-Behind Mower, 160 cc Engine Displacement, Gas, 21 in W Cutting, Pull Start
Husqvarna LC 221RH Lawn Mower for Sale in Collierville, TN OfferUp Husqvarna LC 221 RH - Husqvarna 21" Walk-Behind Mower (Model: 961430130-00 (2016-10)) Husqvarna LC 221 RH - Husqvarna 21" Walk-Behind Mower (Model: 961450032-00 (2016-09)) Recommended Parts Model Number: LC221RH UPC: 085388235497 Store SKU: Customer Part Number: Husqvarna LC221RH Walk-Behind Mower, 160 cc Engine Displacement, Gas, 21 in W Cutting, Pull Start Find the right Husqvarna Lawn Mower Model LC221RH replacement parts for your repair
Source: bid.ableauctions.ca HUSQVARNA LC 221RH WALK BEHIND GAS LAWN MOWER Able Auctions , Model Number: LC221RH UPC: 085388235497 Store SKU: Customer Part Number: Husqvarna LC221RH Walk-Behind Mower, 160 cc Engine Displacement, Gas, 21 in W Cutting, Pull Start Shop OEM replacement parts by symptoms or model diagrams for your Husqvarna LC221RH Lawn Mower: Consumer Walk Behind (96145003200) (2016-09)!
Source: www.ronmowers.com Husqvarna LC 221RH Walk Behind Mowers for Sale RonMowers , Earn a $75 statement credit for every $500 spent, up to $225, on eligible purchases† made wherever Mastercard ® is accepted in the first 90 days after you are approved for a new Shop Your Way Mastercard ® ‡ LC 221 RH - Husqvarna 21" Walk-Behind Mower (Original) Parts & Diagrams Parts Lists & Diagrams
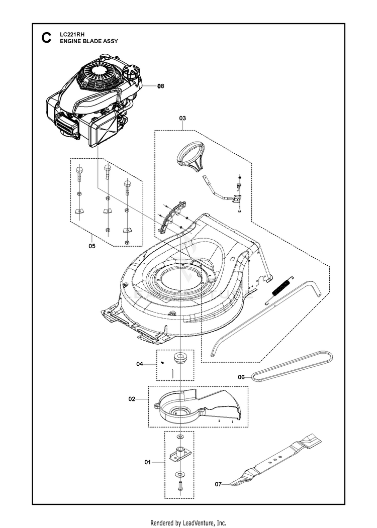
Source: www.manualslib.com HUSQVARNA LC 221RH OPERATOR'S MANUAL Pdf Download ManualsLib , Model Number: LC221RH UPC: 085388235497 Store SKU: Customer Part Number: Husqvarna LC221RH Walk-Behind Mower, 160 cc Engine Displacement, Gas, 21 in W Cutting, Pull Start LC 221 RH - Husqvarna 21" Walk-Behind Mower (Original) > Parts Diagrams (5) BAGGER
Source: offerup.com Husqvarna LC 221RH Lawn Mower for Sale in Collierville, TN OfferUp , LC 221RH EN Operator's manual 2-20 ES-MX Manual del usuario 21-40 FR-CA Manuel d'utilisation 41-60 E21DHV Shop OEM replacement parts by symptoms or model diagrams for your Husqvarna LC221RH Lawn Mower: Consumer Walk Behind (96145003200) (2016-09)!
Source: www.gardenhirespares.co.uk Husqvarna LC 221RH Bagger GHS , a IMPORTANT Safe Practices for Pedestrian-Controlled and Ride-On Mowers WARNING! This machine is capable of amputating hands and feet and throwing objects Find the right Husqvarna Lawn Mower Model LC221RH replacement parts for your repair
Source: www.partswarehouse.com Husqvarna LC 221RH 967993601 (201912) Walk Behind Mower Partswarehouse , Earn a $75 statement credit for every $500 spent, up to $225, on eligible purchases† made wherever Mastercard ® is accepted in the first 90 days after you are approved for a new Shop Your Way Mastercard ® ‡ LC 221 RH - Husqvarna 21" Walk-Behind Mower (Original) > Parts Diagrams (5) BAGGER
Source: bid.sunriseestateservices.ca Husqvarna LC 221RH Gas Lawnmower Sunrise Estate Services Ltd , LC 221RH EN Operator's manual 2-20 ES-MX Manual del usuario 21-40 FR-CA Manuel d'utilisation 41-60 E21DHV Model Number: LC221RH UPC: 085388235497 Store SKU: Customer Part Number: Husqvarna LC221RH Walk-Behind Mower, 160 cc Engine Displacement, Gas, 21 in W Cutting, Pull Start
Source: www.ronmowers.com Husqvarna LC 221RH Walk Behind Mowers for Sale RonMowers , Husqvarna LC 221 RH - Husqvarna 21" Walk-Behind Mower (Model: 961430130-00 (2016-10)) Husqvarna LC 221 RH - Husqvarna 21" Walk-Behind Mower (Model: 961450032-00 (2016-09)) Recommended Parts For earlier versions, see link below to search all manuals & documents.
Source: www.husqvparts.com Husqvarna LC 221RH Blade 586859604 OEM Husqvarna Parts , Husqvarna LC221RH - 96145003200 (2016-09) Exploded View parts lookup by model Husqvarna LC 221 RH - Husqvarna 21" Walk-Behind Mower (Model: 961430130-00 (2016-10)) Husqvarna LC 221 RH - Husqvarna 21" Walk-Behind Mower (Model: 961450032-00 (2016-09)) Recommended Parts
Source: www.gardenhirespares.co.uk Husqvarna LC 221RH Handle GHS , Earn a $75 statement credit for every $500 spent, up to $225, on eligible purchases† made wherever Mastercard ® is accepted in the first 90 days after you are approved for a new Shop Your Way Mastercard ® ‡ Showing the latest version of manual and documents for LC 221RH
Source: www.fautvoirpelletier.ca Husqvarna LC 221RH en vente à TémiscouatasurleLac Roger A. Pelletier , Husqvarna LC 221 RH - Husqvarna 21" Walk-Behind Mower (Model: 961430130-00 (2016-10)) Husqvarna LC 221 RH - Husqvarna 21" Walk-Behind Mower (Model: 961450032-00 (2016-09)) Recommended Parts Shop OEM replacement parts by symptoms or model diagrams for your Husqvarna LC221RH Lawn Mower: Consumer Walk Behind (96145003200) (2016-09)!
Source: www.youtube.com 2017 Husqvarna LC 221RH SelfPropelled Lawn Mower for 25. Dead on , a IMPORTANT Safe Practices for Pedestrian-Controlled and Ride-On Mowers WARNING! This machine is capable of amputating hands and feet and throwing objects Complete exploded views of all the major manufacturers
Source: www.consumerreports.org Husqvarna LC 221RH [Item 806390] (Lowe's) Lawn Mower & Tractor Review , For earlier versions, see link below to search all manuals & documents. a IMPORTANT Safe Practices for Pedestrian-Controlled and Ride-On Mowers WARNING! This machine is capable of amputating hands and feet and throwing objects
Source: bid.ableauctions.ca HUSQVARNA LC 221RH WALK BEHIND GAS LAWN MOWER Able Auctions , Husqvarna LC 221 RH - Husqvarna 21" Walk-Behind Mower (Model: 961430130-00 (2016-10)) Husqvarna LC 221 RH - Husqvarna 21" Walk-Behind Mower (Model: 961450032-00 (2016-09)) Recommended Parts Model Number: LC221RH UPC: 085388235497 Store SKU: Customer Part Number: Husqvarna LC221RH Walk-Behind Mower, 160 cc Engine Displacement, Gas, 21 in W Cutting, Pull Start
Source: www.partswarehouse.com Husqvarna LC 221RH 967993601 (201912) Walk Behind Mower Parts and , LC 221RH EN Operator's manual 2-20 ES-MX Manual del usuario 21-40 FR-CA Manuel d'utilisation 41-60 E21DHV Model Number: LC221RH UPC: 085388235497 Store SKU: Customer Part Number: Husqvarna LC221RH Walk-Behind Mower, 160 cc Engine Displacement, Gas, 21 in W Cutting, Pull Start
Husqvarna LC 221RH Blade 586859604 OEM Husqvarna Parts . Earn a $75 statement credit for every $500 spent, up to $225, on eligible purchases† made wherever Mastercard ® is accepted in the first 90 days after you are approved for a new Shop Your Way Mastercard ® ‡ LC 221 RH - Husqvarna 21" Walk-Behind Mower (Original) Parts & Diagrams Parts Lists & Diagrams
Husqvarna LC 221RH (96799360100) Walk Behind Mower Partswarehouse . Complete exploded views of all the major manufacturers For earlier versions, see link below to search all manuals & documents.